回路電阻測試及標準參考值_回路電阻測試儀接線及標準
斷路器(以下簡稱開關)導電回路的導電性能的好壞,對保障開關的安全運行具有重要作用。導電性能的優劣可以通過導電回路電阻的大小反映出來。
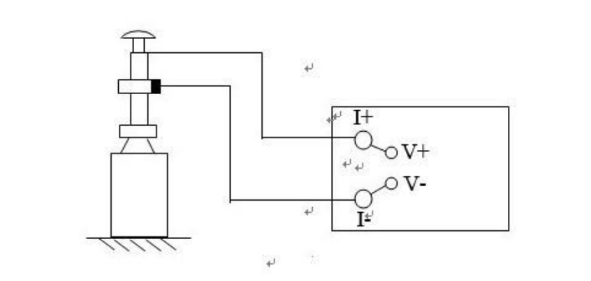
接線方法:如圖所示,將專用測試線按照顏色紅對紅,黃對黃,綠對綠,黑對黑,粗的電流線接到對應的C1(I+)、C2(I-)接線柱扭緊,細的電壓線接到對應的P1(U+)、P2(U-)接線柱扭緊,兩把夾鉗夾住被測試品的兩端。
測試接線圖
注意:測試鉗的全部連接面應與試品可靠接觸
附錄一:接觸(回路)電阻基本知識
1、什么叫接觸電阻?
接觸電阻是靜觸頭與動觸頭相互接觸時所出現的附加電阻。
2、斷路器接觸電阻有哪幾部分組成?
由動、靜觸頭接觸部分的收縮電阻和表面電阻兩部分組成。
3、斷路器接觸電阻不合格的原因?
— 開斷較大短路電流時觸頭燒壞。
— 因機構調整不佳固定不牢,致使行程變化,當超行程嚴重不合格時,引起接觸壓力或接觸面積的變化。
— 斷路器調試安裝完后,長期未投入運行,使動,靜觸頭表面氧化,接觸表面電阻增大。
— 長期運行使彈簧變形,使接觸壓力下降。
— 機械部分長期操作后引起的機械磨損。
— 對少油斷路器,還可能因絕緣油酸值不合格呈酸性反應,浸蝕觸頭表面。或油中漂浮雜質,動、靜觸頭之間因開斷短路電流后殘留的微粒碳質、金屬粉末,使接觸電阻增大。
4、影響接觸電阻的因素?
— 材料性質:硬度、化學性質、金屬化合物的機械強度與電阻率。
— 接觸形式:點接觸、線接觸、面接觸。
— 接觸面狀況:當接觸面形成氧化膜時(銀例外),氧化膜比金屬本身的電阻要大得多。
— 接觸壓力。
— 接觸表面的粗糙度。
附錄二:斷路器導電接觸(回路)電阻標準參考值
型 號 | 每相回路電阻 (μΩ) | 型 號 | 每相回路電阻 (μΩ) |
SN1-10 | <95 | DW1-60G | 200 |
SN2-10G | 75 | SW1-110 | 700 |
SN4-10 | 50—60 | SW2-110I | 180 |
SN4-20 | 50—60 | SW3-110 | 160 |
SN4-10G | 20 | SW4-110 | 300 |
SN4-20G | 20 | SW6-110 | 180—220 |
SN5-10 | 100 | SW2-220 | 400 |
SN6-10 | 80 | SW4-220 | 600 |
SN10-35 | <75 | SW6-220 | <400 |
DW1-35 | 550 | SW7-220 | <190 |
DW1-60 | 500 | KW1-220 | 400 |
DW3-110 | 1100—1300 | KW2-220 | 170 |
DW2-110 | 800 | KW3-220 | 110 |
KW1-110 | 150 | KW4-220 | 130 |
KW3-110 | 45 | DW2-220 | 1520 |
KV4-110A | 60 | DW3-220 | 1200 |
DW3-110G | 1600—1800 | SW6-330 | >600 |